DANFOSS FHM Змішувальний вузол із насосом Grundfos UPS 15-60
Найпростіший і економічно ефективний спосіб приєднати контури опалення до системи - використовувати змішувальні вузли від датського бренду Danfoss. Відмінною особливістю даного бренду є компактність змішувальних вузлів за високих показників надійності та продуктивності. Вирішивши підібрати та купити змішувальний вузол Данфосс у каталозі нашого інтернет-магазину, ви отримаєте оригінальний сертифікований продукт гарантовано високої якості за актуальними цінами.
- FHM-C1 комплектується насосом Grundfos UPM3.
- FHM-C6 комплектується насосом Grundfos UPS 15-60.
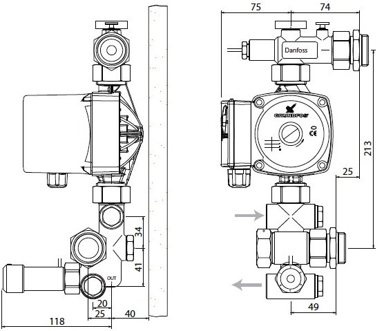
Розмір змішувального вузолу DANFOSS FHM

Переваги змішувальних вузлів Данфосс
Призначені для точного регулювання температури теплоносія у підлогових системах опалення для будинку та квартири. Перевагою моделей даного виробника є їхня універсальність. Змішувальні вузли Danfoss можна підключати до розподільних колекторів як з правого, так і з лівого боку, що спрощує вибір обладнання та монтаж системи опалення. Змішувальні вузли за замовчуванням комплектуються зворотними клапанами та автоматичними пропорційними регуляторами для запобігання зворотному руху нагрітої води за системою та більш точного регулювання температури за контурами.
Схема збору колектора колектора Danfoss

Використання змішувальних вузлів Данфосс пов'язане з цілою низкою переваг:
- Компактний розмір, завдяки якому пристрій вільно встановлюється у всі стандартні монтажні шафи.
- Насосно Змішувальні вузли протестовані для ефективної роботи з більшістю колекторів Danfoss, що дозволяє здійснювати монтаж та запуск без залучення спеціалістів та додаткових технічних підрахунків.
- Гнучкість та універсальність монтажу – конструкція всіх моделей виробника дає можливість підключатися до колектора праворуч та ліворуч.
- Набір вбудованих клапанів та регулятора прямої дії гарантує підтримання потрібної температури в контурі теплої підлоги на заданому користувачем рівні.
- Вбудований термостат дозволяє автоматично керувати температурою та захистити підлогове покриття від впливу перегрітого теплоносія. Дані змішувальні вузли роблять опалювальну систему більш економічною та безпечною.
Щоб дізнатися більше технічних деталей та замовити змішувальні вузли для підлоги торгової марки Danfoss, зв'яжіться з операторами нашого магазину.
Відгуки не знайдені
Залишити відгук на цей товар
Відгуки для перегляду

