Кошик порожній
DEVI Терморегулятори електронні на шину DIN DEVIreg 316
Опис
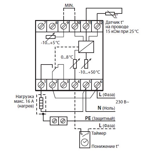
DEVI – лінійка електронних регуляторів температури, призначених для інтегрування в щиток на профільну шину DIN DEVIreg 316. Багатофункціональний професійний прилад застосовується для віддаленого керування такими опціями, як: контроль танення снігу на ґрунті, захист поверхні покрівлі від зледеніння, технологічний підігрів та кондиціонування даху. На панелі є непотенційні виходи.

Характеристики
Торгова марка:
Devi
Відгуки
Відгуки не знайдені
Залишити відгук на цей товар
Відгуки для перегляду

