Корзина пуста
DEVI Терморегуляторы электронные на шину DIN DEVIreg 316
Описание
DEVI – линейка электронных регуляторов температуры, предназначенных для интегрирования в щиток на профильную шину DIN DEVIreg 316. Многофункциональный профессиональный прибор применяется для удаленного управления такими опциями, как: контроль таяния снега на грунте, защита поверхности кровли от обледенения, технологический подогрев и кондиционирование крыши. На панели имеются непотенциальные выходы.
Технические характеристики:
- напряжение питания: 180...250 В~
- активная нагрузка, макс.: 16 А, 250 В
- индуктивная нагрузка, макс.: 3 А, 250 В, cos ϕ = 0,3
- переключатель: NO/NC, трехконтактное реле, непонтенциальные выходы
- индикаторы: два светодиода
- тип датчика, длина: NTC, на проводе 3 м
- рабочая темп. окружающей среды: -10...+50 °C
- потребляемая мощ ность: 0,25 Вт в режиме ожидания
- ширина: 54 мм
- класс защиты: IP20
- сертифицирован: УкрТЕСТ, DEMKO, CE
- гарантия: 2 года
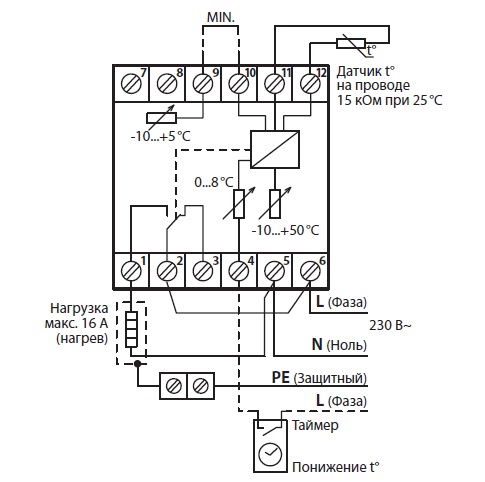
Схема подключения

Характеристики
Торговая марка:
Devi
Отзывы
Отзывы не найдены
Оставить отзыв на этот товар
Поделитесь мнением с другими покупателями

