Корзина пуста
DEVI Терморегулятор для наружной установки с защитой IP44 DEVIreg 610
Описание
Серия компактных регуляторов DEVI с универсальной защитой IP44 DEVIreg 610, предназначенных для наружной установки (на внешнюю стену или трубу). Расширенный диапазон управления температурами используется для: защиты поверхностей от обледенения, кондиционирования и отопления помещения, прогрев полов, а также отопительных труб и других емкостей. Прибор отличается термостатным типом соединения и высоким показателем максимальной активной нагрузки.
Технические характеристики:
- напряжение питания: 180...250 В~
- активная нагрузка, макс.: 10 А, 250 В
- индуктивная нагрузка, макс.: 1 А, 250 В, cos ϕ = 0,3
- переключатель нагрузки: NO/NC, трехконтактное реле
- гистерезис: 0,4 °С
- тип датчика, длина: NTC, на проводе 3 м
- индикатор: светодиод зеленый/красный
- рабочая темп. окружающей среды: -30...+50 °C
- потребляемая мощ ность: 0,93 Вт в режиме ожидания
- размеры: 70 х 100 х 45 мм
- класс защиты: IP44
- сертифицирован: УкрТЕСТ, DEMKO, CE
- гарантия: 2 года
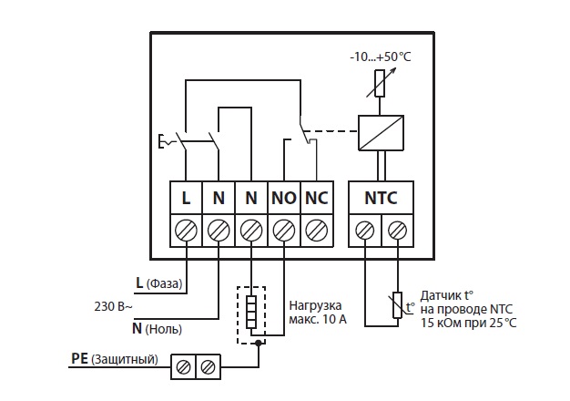
Схема подключения

Характеристики
Торговая марка:
Devi
Отзывы
Отзывы не найдены
Оставить отзыв на этот товар
Поделитесь мнением с другими покупателями

