Система контроля протекания воды Neptun Aquacontrol
Система от протечки воды в квартире Neptun Aquacontrol это бюджетное решения чтобы устранить прорыв, утечку воды в вашей квартире или частном доме, особенностью модели являются два крана с электроприводом и два датчика протечки. В случаи аварийной протечки система моментально закрывает краны и блокирует подачу воды, подает сигнал (звуковой), сразу после попадания воды на датчик затопления. Может предотвратить существенный ущерб Вам и вашим соседям. Устанавливайте систему Нептун (антипотоп) и живите спокойно. А также Вы можете ознакомиться и приобрести систему Neptun Bugatti Base уже в которой в комплекте идут краны Вugatti (Италия).

1. Кран Neptun AquaControl с электропиводом (Китай) 2 шт.
2. Проводные датчики SW007 затопления 2 шт.
3. Контроллер управления Neptun Base. Система профилактического поворота от закиси кранов 1шт.
Функциональные особенности Neptun Aquacontrol
- моментально фиксирует утечку воды
- подает SOS на панель управления
- подается знак кранам
- поток воды перекрывается автоматически
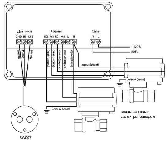
Схема подключения Neptun Aquacontrol

Отзывы не найдены
Оставить отзыв на этот товар
Поделитесь мнением с другими покупателями

